12000LB電動絞盤
產品信息:本車載小吊機的搖臂前端的起升重量為100kg,中段的起升重量為250kg,而末端(靠近立柱的一端)的起升重量為500kg(雙繩);吊機采用方鋼制成;普適12V/24V/220V等電源類型;額定功率為1.3KW/1.4KW/1.6KW;起吊鋼絲繩長度為6-12M,鋼絲繩直徑為4-6MM;適用場合:野外作業。
絞盤產品信息:本車載小吊機的搖臂前端的起升重量為100kg,中段的起升重量為250kg,而末端(靠近立柱的一端)的起升重量為500kg(雙繩);吊機采用方鋼制成;普適12V/24V/220V等電源類型;額定功率為1.3KW/1.4KW/1.6KW;手動絞盤起吊鋼絲繩長度為6-12M,鋼絲繩直徑為4-6MM;適用場合:野外作業。
技術參數:

電動絞盤技術參數
實物攝影:
電動絞盤實物攝影

應用案例:
電動絞盤是起錨和拋錨的機械,手搖絞車同樣也作為絞纜之用。

電動絞盤起錨應用實景
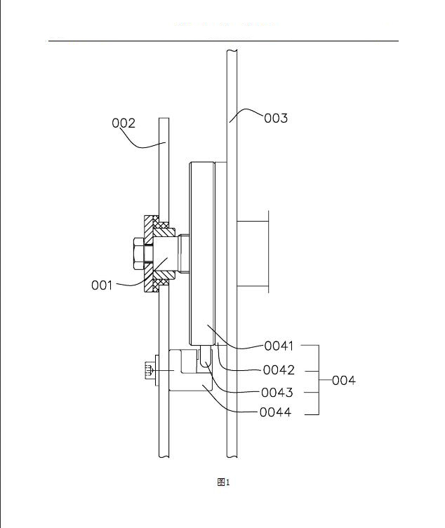
如圖1,電動絞盤一般包括傳動軸001、U型架002、離合機構004、“工”字形的絞盤003、控制電機和減速箱。離合機構004包括離合器盤0041、摩擦片0042、離合銷0043和離合塊0044。如圖1,絞盤運行過程中,傳動軸001帶動離合器盤0041一同旋轉,離合銷0043固定在離合器盤0041上,每旋轉一圈,離合銷0043和離合塊0044碰觸一次,保持離合器盤0041對摩擦片0042的壓緊,摩擦片0042平貼絞盤003端面,從而帶動絞盤003旋轉。有圖有真相:

電動絞盤傳動軸與軸承鏈接示意圖
解決方案:
作為優選,河北東圣吊索具建議客戶選用配置純銅電機、無縫鋼管并可根據要比調節起重量的車載小吊機。主機配置為電動絞盤。手板式絞盤不能滿足此要求。

電動絞盤車載小吊機解決方案





